Toggle navigation
首页
关于我们
富生介绍
广东富生建设
江门富生钢构
湖南富生钢构
企业视频
产品中心
变截钢
围护材料
工程案例
新闻中心
公司新闻
行业资讯
联系我们
联系信息
地图指示
加入我们
在线留言
4001-520-188
产品中心
变截钢
围护材料
首页
»
产品中心
»
围护材料
商品名称:
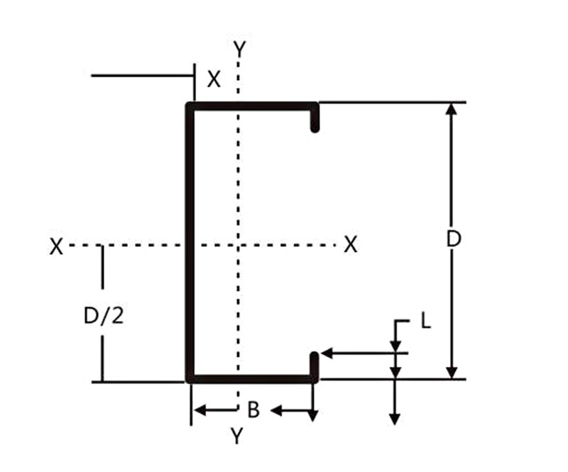
C型钢
产品描述
建设工程
(钢结构、土建厂房)
变截钢
围护材料
官网热线:
400-1520-188
137-0240-0039
微信扫码
马上咨询